Обработка деталей |
Доводочные станки и приспособления
Для доводки резцов используются специальные доводочные станки, для доводки многолезвийных инструментов — универ-сальнозаточные станки. На универсальнозаточных станках для этой операции применяются обычно те же приспособления, что и для заточки инструментов. С их помощью производят установку инструментов под требуемыми для доводки углами. Инструмент для доводки (шлифовальный круг или диск) закрепляют на шпинделе шлифовальной головки станка. При доводке незакрепленными абразивными зернами скорость диска снижается до 1,5—2,5 м/сек. В этом случае шпиндель станка
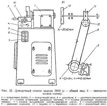
приводится во вращение от отдельного электродвигателя, укрепляемого на шлифовальной головке станка. Для доводки резцов чаще применяют одношпиндельные доводочные станки модели 3818 (фиг. 35) с горизонтальным расположением шпинделя. Осуществляется доводка либо с креплением резцов в приспособлениях (механическая доводка), либо без крепления с установкой резцов на стол станка (ручная доводка). Доводку по задним поверхностям производят поворотом стола на заданный угол по стрелке а. Для доводки по передней
поверхности используют дополнительное приспособление — подручник с шаровой опорой и угольником, укрепляемыми на столе станка. За последнее время новаторы производства все шире стали применять механизированные методы доводки инструментов, разработан ряд конструкций механизированных приспособлений, обеспечивающих высокую производительность операции и качество доводимых инструментов. На фиг. 36 приведено приспособление В. И. Кротова для доводки резцов. Вращение доводочного диска и возвратно-поступательное перемещение резца осуществляются здесь одним электродвигателем. Доводочный диск 4 приводится во вращение со скоростью 1,9 ж!сек от электродвигателя 1 через червячный редуктор 2. Возвратно-поступательное перемещение каретки 14 и тисков IS с закрепленным резцом осуществляется со скоростью около 8 м/мин через шестерни 3 и 11, валик 10 с кривошипным диском 8 и систему шарнирных тяг 7. Наличие поворота тисков 13 и стола 15 каретки обеспечивает установку доводимой поверхности параллельно плоскости вращения доводочного диска и получение необходимых углов при доводке. Отсчет углов поворота каретки ведется по шкале 5, а тисков — по шкале 12. При доводке под действием тарированной пружины 6 резец постоянно прижимается к диску. Сила прижима регулируется сжатием пружины. Приспособление обеспечивает максимальную силу прижима
стола станка, резец может быть установлен под любым углом относительно рабочей поверхности диска 4. Это дает возможность доводить его по всем рабочим поверхностям. Поворотом фасонной гайки 7 через пружину 6 осуществляется регулирование прижимного усилия к диску. Корпусу 5 приспособления вручную либо с помощью рычагов, эксцентриков или гидравлического привода дается возвратно-поступательное перемещение относительно основания. Доводочная головка (фиг. 38), позволяющая вести процесс доводки многолезвийных инструментов при постоянном давлении, состоит из корпуса 1, пружины 2, гильзы 5, ограничительного кольца 4 и притира 5. Корпус головки насаживается на шпиндель станка или доводочного приспособления и вращается вместе с ним. Под воздействием пружины гильза прижимает притир к доводимой поверхности инструмента. Процесс доводки с помощью такой головки протекает интенсивней, чем при жестком креплении к шпинделю, и чистота доводки повышается. Для доводки используются доводочные диски в форме чашек, тарелок и дисков плоского профиля. Механизация доводки повышает качество доводимых поверхностей инструментов, производительность операции и позволяет более экономично расходовать дорогостоящие абразивные пасты, и рациональнее использовать доводочный диск.



